|
Dimensions: L=16.0" x H=10.75" x D=5.0"
Discontinued...
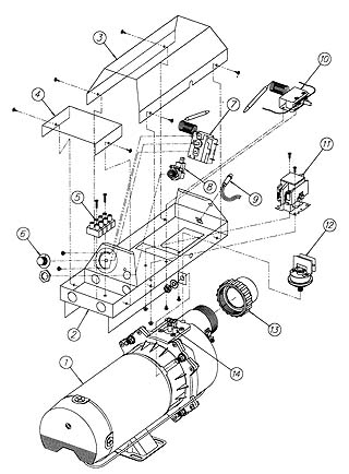
Exploded View & Part List

NOTES:
All electrical work must be performed by a licensed electrician according to National Electrical Code
and all local codes and regulations.
All plumbing work must meet I.A.P.M.O., UL 1563, and all local codes and regulations
and must be performed by a licensed plumbing contractor.
All pump suction must be connected to two drains (VGB certified) in the spa to meet all safety requirements.
All shipments are F.O.B. Riverside, California.
**Beating competitor's price: We will meet or beat any competitor's written quotation for hardware of the same capability, such as: plumbing size, voltage, motor horsepower, motor 1 or 2-speed, heater length, safety test report, etc.
A $9.95 Handling charge is applied to all orders.
All products sold per our "Terms and Conditions" found in the "Support" section of our menu.
When your order is produced, the pump motor used (A.O. Smith, Regal Beloit, Marathon Electric, etc.)
will be whatever is in stock in our factory at the time.